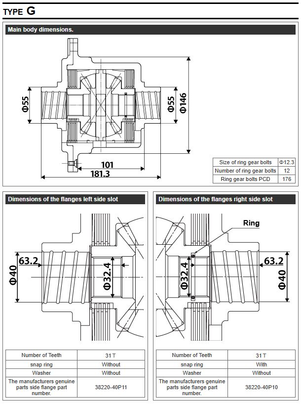
Confirm the type name from the shape of the differential case body.
 
 
 
   
 
 
*Discontinued
 
 
 
   
 
 
 
 *Discontinued
 
 
 
 
 
 
 
 
   
 
 
 
 
 
   
 
 
 
 
 *Discontinued